一、课程设计(论文)题目
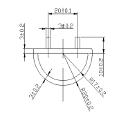
半圆环形铝合金型材挤压工艺及模具设计 |
二、本次课程设计(论文)应达到的目的
1.应用和巩固本课程及有关先修课的基础理论和专业知识,了解挤压工艺及模具的设计方法和步骤,培养学生的初步设计能力,为后面的毕业设计打基础。
2.独立地解决在制定挤压工艺规程和设计挤压模中的问题,会查阅技术文献和资料,全面考虑设计内容及过程,培养学生分析问题和解决问题的能力。 |
三、本次课程设计(论文)任务的主要内容和要求(包括原始数据、技术参数、设计要求等)
确定挤压工艺方案
进行工艺计算 
设计模具结构形式
绘制工模具图纸
设计说明书一套
材料牌号:1080A |
四、应收集的资料及主要参考文献:
[1] 刘静安,轻合金挤压工具与模具(上册);
[2] 刘静安,轻合金挤压工具与模具(下册);
[3] 魏军,有色金属挤压车间机械设备;
[4] 马怀宪,金属塑性加工学—挤压、拉拔与管材冷轧;
[5] 王祝堂,田荣璋,铝合金及其加工手册;
[6] 刘静安,铝型材挤压模具设计、制造、使用及维修; |
| 五、审核批准意见
教研室主任(签字) |